SW Flange Sizes & Weights (B16.5)
ASME Socket Weld Flange Dimensions and Weights
The tables below show ASME B16.5 socket weld flange dimensions including: inside diameter (ID), outside diameter (OD), bolt circle, raised face diameter, flange thickness, socket depth, and bolt hole specifications.
Socket Weld Flange Sizes in Inches
Socket Weld Class 150
Socket weld flange dimensions for Class 150 per ASME B16.5 (in inches). Includes OD, ID, bolt circle, raised face dimensions, and bolt hole specifications.

| NPS | ID | OD | Bolt Circle (BC) | Raised Face (R) | Raised Face (RF) | H | D | ID 2* | Raised Face Thickness (T) | T1 | Flat Face Thickness (T2) | Bolt Hole (B) | No. of Bolt Holes |
|---|---|---|---|---|---|---|---|---|---|---|---|---|---|
| 1/2″ | 0.88″ | 3.50″ | 2.38″ | 1.38″ | .063″ | 1.19″ | .38″ | 0.62″ | .62″ | .38″ | .56″ | .62″ | 4 |
| 3/4″ | 1.09″ | 3.88″ | 2.75″ | 1.69″ | .063″ | 1.50″ | .44″ | 0.82″ | .62″ | .44″ | .56″ | .62″ | 4 |
| 1″ | 1.36″ | 4.25″ | 3.12″ | 2.00″ | .063″ | 1.94″ | .50″ | 1.05″ | .69″ | .50″ | .63″ | .62″ | 4 |
| 1-1/4″ | 1.70″ | 4.62″ | 3.50″ | 2.50″ | .063″ | 2.31″ | .56″ | 1.38″ | .81″ | .56″ | .75″ | .62″ | 4 |
| 1-1/2″ | 1.97″ | 5.00″ | 3.88″ | 2.88″ | .063″ | 2.56″ | .62″ | 1.61″ | .88″ | .62″ | .82″ | .62″ | 4 |
| 2″ | 2.44″ | 6.00″ | 4.75″ | 3.62″ | .063″ | 3.06″ | .69″ | 2.07″ | 1.00″ | .69″ | .94″ | .75″ | 4 |
| 2-1/2″ | 2.94″ | 7.00″ | 5.50″ | 4.12″ | .063″ | 3.56″ | .75″ | 2.47″ | 1.12″ | .82″ | 1.06″ | .75″ | 4 |
| 3″ | 3.57″ | 7.50″ | 6.00″ | 5.00″ | .063″ | 4.25″ | .81″ | 3.07″ | 1.19″ | .88″ | 1.13″ | .75″ | 4 |
| 3-1/2″ | 4.07″ | 8.50″ | 7.00″ | 5.50″ | .063″ | 4.81″ | .88″ | 3.55″ | 1.25″ | .88″ | 1.19″ | .75″ | 8 |
| 4″ | 4.57″ | 9.00″ | 7.50″ | 6.19″ | .063″ | 5.31″ | .94″ | 4.03″ | 1.31″ | .88″ | 1.25″ | .75″ | 8 |
| 5″ | 5.66″ | 10.00″ | 8.50″ | 7.31″ | .063″ | 6.44″ | .94″ | 5.05″ | 1.44″ | .88″ | 1.38″ | .88″ | 8 |
| 6″ | 6.72″ | 11.00″ | 9.50″ | 8.50″ | .063″ | 7.56″ | 1.06″ | 6.07″ | 1.56″ | .94″ | 1.50″ | .88″ | 8 |
| 8″ | 8.72″ | 13.50″ | 11.75″ | 10.62″ | .063″ | 9.69″ | 1.25″ | 7.98″ | 1.75″ | 1.06″ | 1.69″ | .88″ | 8 |
| 10″ | 10.88″ | 16.00″ | 14.25″ | 12.75″ | .063″ | 12.00″ | 1.31″ | 10.02″ | 1.94″ | 1.13″ | 1.88″ | 1.00″ | 12 |
| 12″ | 12.88″ | 19.00″ | 17.00″ | 15.00″ | .063″ | 14.38″ | 1.56″ | 12.00″ | 2.19″ | 1.19″ | 2.13″ | 1.00″ | 12 |
| 14″ | 14.14″ | 21.00″ | 18.75″ | 16.25″ | .063″ | 15.75″ | 1.63″ | 13.25″ | 2.25″ | 1.32″ | 2.19″ | 1.12″ | 12 |
| 16″ | 16.16″ | 23.50″ | 21.25″ | 18.50″ | .063″ | 18.00″ | 1.75″ | 15.25″ | 2.50″ | 1.38″ | 2.44″ | 1.12″ | 16 |
| 18″ | 18.18″ | 25.00″ | 22.75″ | 21.00″ | .063″ | 19.88″ | 1.94″ | 17.25″ | 2.69″ | 1.50″ | 2.63″ | 1.25″ | 16 |
| 20″ | 20.20″ | 27.50″ | 25.00″ | 23.00″ | .063″ | 22.00″ | 2.13″ | 19.25″ | 2.88″ | 1.63″ | 2.83″ | 1.25″ | 20 |
| 22″ | 22.22″ | 29.50″ | 27.25″ | 25.25″ | .063″ | 24.25″ | 2.38″ | 21.25″ | 3.13″ | 1.75″ | 3.07″ | 1.38″ | 20 |
| 24″ | 24.25″ | 32.00″ | 29.50″ | 27.25″ | .063″ | 26.12″ | 2.50″ | 23.25″ | 3.25″ | 1.82″ | 3.19″ | 1.38″ | 20 |
Socket Weld Class 300
Dimensions of socket weld flange class 300 (in inches)

| FLANGENPS | InsideDiameter | OutsideDiameter | Bolt Circle (BC) | Raised Face (R) | Raised Face (RF) | H | D | ID 2* | Raised Face Thickness (T) | T1 | Flat Face Thickness (T2) | Bolt Hole (B) | No. of Bolt Holes |
|---|---|---|---|---|---|---|---|---|---|---|---|---|---|
| 1/2″ | 0.88″ | 3.75″ | 2.62″ | 1.38″ | .063″ | 1.50″ | .38″ | 0.62″ | 0.88″ | 0.50″ | 0.82″ | 0.62″ | 4 |
| 3/4″ | 1.09″ | 4.62″ | 3.25″ | 1.69″ | .063″ | 1.88″ | .44″ | 0.82″ | 1.00″ | .056″ | 0.94″ | 0.75″ | 4 |
| 1″ | 1.36″ | 4.88″ | 3.50″ | 2.00″ | .063″ | 2.12″ | .50″ | 1.05″ | 1.06″ | 0.63″ | 1.00″ | 0.75″ | 4 |
| 1-1/4″ | 1.70″ | 5.25″ | 3.88″ | 2.50″ | .063″ | 2.50″ | .56″ | 1.38″ | 1.06″ | 0.69″ | 1.00″ | 0.75″ | 4 |
| 1-1/2″ | 1.97″ | 6.12″ | 4.50″ | 2.88″ | .063″ | 2.75″ | .62″ | 1.61″ | 1.19″ | 0.75″ | 1.13″ | 0.88″ | 4 |
| 2″ | 2.44″ | 6.50″ | 5.00″ | 3.62″ | .063″ | 3.31″ | .69″ | 2.07″ | 1.31″ | 0.82″ | 1.25″ | 0.75″ | 8 |
| 2-1/2″ | 2.94″ | 7.50″ | 5.88″ | 4.12″ | .063″ | 3.94″ | .75″ | 2.47″ | 1.50″ | 0.94″ | 1.44″ | 0.88″ | 8 |
| 3″ | 3.57″ | 8.25″ | 6.62″ | 5.00″ | .063″ | 4.62″ | .81″ | 3.07″ | 1.69″ | 1.06″ | 1.63″ | 0.88″ | 8 |
Socket Weld Class 600
Dimensions of socket weld flanges class 600 (in inches)

| FLANGENPS | ID | OD | Bolt Circle (BC) | Raised Face (R) | Raised Face (RF) | H | D | ID 2* | Raised Face Thickness (T) | T1 | Flat Face Thickness (T2) | Bolt Hole (B) | No. of Bolt Holes |
|---|---|---|---|---|---|---|---|---|---|---|---|---|---|
| 1/2″ | 0.88″ | 3.75″ | 2.62″ | 1.38″ | .250″ | 1.50″ | .38″ | 0.55″ | 1.13″ | 0.56″ | 0.88″ | 0.62″ | 4 |
| 3/4″ | 1.09″ | 4.62″ | 3.25″ | 1.69″ | .250″ | 1.88″ | .44″ | 0.74″ | 1.25″ | 0.62″ | 1.00″ | 0.75″ | 4 |
| 1″ | 1.36″ | 4.88″ | 3.50″ | 2.00″ | .250″ | 2.12″ | .50″ | 0.96″ | 1.31″ | 0.69″ | 1.06″ | 0.75″ | 4 |
| 1-1/4″ | 1.70″ | 5.25″ | 3.88″ | 2.50″ | .250″ | 2.50″ | .56″ | 1.28″ | 1.37″ | 0.81″ | 1.12″ | 0.75″ | 4 |
| 1-1/2″ | 1.97″ | 6.12″ | 4.50″ | 2.88″ | .250″ | 2.75″ | .62″ | 1.50″ | 1.50″ | 0.88″ | 1.25″ | 0.88″ | 4 |
| 2″ | 2.44″ | 6.50″ | 5.00″ | 3.62″ | .250″ | 3.31″ | .69″ | 1.94″ | 1.69″ | 1.00″ | 1.44″ | 0.75″ | 8 |
| 2-1/2″ | 2.94″ | 7.50″ | 5.88″ | 4.12″ | .250″ | 3.94″ | .75″ | 2.32″ | 1.87″ | 1.12″ | 1.62″ | 0.88″ | 8 |
| 3″ | 3.57″ | 8.25″ | 6.62″ | 5.00″ | .250″ | 4.62″ | .81″ | 2.90″ | 2.06″ | 1.25″ | 1.81″ | 0.88″ | 8 |
Socket Weld Class 1500
Dimensions of socket weld flange class 1500 (in inches)

| FLANGENPS | InsideDiameter | OutsideDiameter | Bolt Circle (BC) | Raised Face (R) | Raised Face (RF) | H | D | ID 2* | Raised Face Thickness (T) | T1 | Flat Face Thickness (T2) | Bolt Hole (B) | No. of Bolt Holes |
|---|---|---|---|---|---|---|---|---|---|---|---|---|---|
| 1/2″ | 0.88″ | 4.75″ | 3.25″ | 1.38″ | .250″ | 1.50″ | .38″ | 0.55″ | 1.50″ | 0.88″ | 1.25″ | 0.88″ | 4 |
| 3/4″ | 1.09″ | 5.13″ | 3.50″ | 1.69″ | .250″ | 1.75″ | .44″ | 0.74″ | 1.63″ | 1.00″ | 1.38″ | 0.88″ | 4 |
| 1″ | 1.36″ | 5.88″ | 4.00″ | 2.00″ | .250″ | 2.06″ | .50″ | 0.96″ | 1.88″ | 1.13″ | 1.63″ | 1.00″ | 4 |
| 1-1/4″ | 1.70″ | 6.25″ | 4.38″ | 2.50″ | .250″ | 2.50″ | .56″ | 1.28″ | 1.88″ | 1.13″ | 1.63″ | 1.00″ | 4 |
| 1-1/2″ | 1.97″ | 7.00″ | 4.88″ | 2.88″ | .250″ | 2.75″ | .62″ | 1.50″ | 2.00″ | 1.25″ | 1.75″ | 1.13″ | 4 |
| 2″ | 2.44″ | 8.50″ | 6.50″ | 3.63″ | .250″ | 4.13″ | .69″ | 1.94″ | 2.50″ | 1.50″ | 2.25″ | 1.00″ | 8 |
| 2-1/2″ | 2.94″ | 9.63″ | 7.50″ | 4.13″ | .250″ | 4.88″ | .75″ | 2.32″ | 2.75″ | 1.63″ | 2.50″ | 1.13″ | 8 |
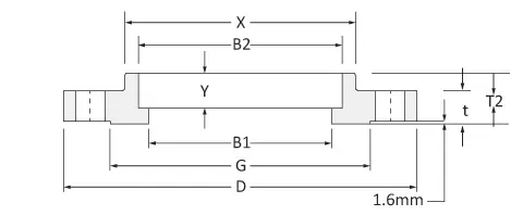
Socket Weld Flange Sizes in Millimeters
Socket Weld Class 150
Socket weld flange dimensions class 150 in millimeters (ASME B16.5)

| Sizeinch | Dmm | Xmm | Gmm | tmm | B1mm | B2mm | T2mm | Ymm |
|---|---|---|---|---|---|---|---|---|
| 1/2 | 89 | 30.2 | 35.1 | 11.2 | 15.7 | 22.4 | 15.7 | 9.7 |
| 3/4 | 99 | 38.1 | 42.9 | 12.7 | 20.8 | 27.7 | 15.7 | 11.2 |
| 1 | 108 | 49.3 | 50.8 | 14.2 | 26.7 | 34.5 | 17.5 | 12.7 |
| 1¼ | 117 | 58.7 | 63.5 | 15.7 | 35.1 | 43.2 | 20.6 | 14.2 |
| 1½ | 127 | 65.0 | 73.2 | 17.5 | 40.9 | 49.5 | 22.4 | 15.7 |
| 2 | 152 | 77.7 | 91.9 | 19.1 | 52.6 | 62.0 | 25.4 | 17.5 |
| 2½ | 178 | 90.4 | 104.6 | 22.4 | 62.7 | 74.7 | 28.4 | 19.1 |
| 3 | 191 | 108.0 | 127.0 | 23.9 | 78.0 | 90.7 | 30.2 | 20.6 |
| 3½ | 216 | 122.2 | 139.7 | 23.9 | 90.2 | 103.4 | 31.8 | 22.4 |
| 4 | 229 | 134.9 | 157.2 | 23.9 | 102.4 | 116.1 | 33.3 | 23.9 |
| 5 | 254 | 163.6 | 185.7 | 23.9 | 128.3 | 143.8 | 36.6 | 23.9 |
| 6 | 279 | 192.0 | 215.9 | 25.4 | 154.2 | 170.7 | 39.6 | 26.9 |
| 8 | 343 | 246.1 | 269.7 | 28.4 | 202.7 | 221.5 | 44.5 | 31.8 |
| 10 | 406 | 304.8 | 323.9 | 30.2 | 254.5 | 276.4 | 49.3 | 33.3 |
| 12 | 483 | 365.3 | 381.0 | 31.8 | 304.8 | 327.2 | 55.6 | 39.6 |
| 14 | 533 | 400.1 | 412.8 | 35.1 | 336.6 | 359.2 | 57.2 | 41.4 |
| 16 | 597 | 457.2 | 469.9 | 36.6 | 387.4 | 410.5 | 63.5 | 44.5 |
| 18 | 635 | 505.0 | 533.4 | 39.6 | 438.2 | 461.8 | 68.3 | 49.3 |
| 20 | 699 | 558.8 | 584.2 | 42.9 | 489.0 | 513.1 | 73.2 | 54.1 |
| 24 | 813 | 663.4 | 692.2 | 47.8 | 590.6 | 616.0 | 82.6 | 63.5 |
| Size | Drilling | Bolting | | ---- | ---------------------- | ------- | ------------- | --------------- | --------------- | --------------- | ---------------- | | inch | Bolt circleDiameter mm | Holes # | Holes Dia. mm | Bolt Dia. inch. | LengthFF Flange | LengthRF Flange | LengthRTJ Flange | | 1/2 | 60.5 | 4 | 15.7 | 1/2 | 50.8 | 57.2 | - | | 3/4 | 69.9 | 4 | 15.7 | 1/2 | 50.8 | 63.5 | - | | 1 | 79.2 | 4 | 15.7 | 1/2 | 57.2 | 63.5 | 76.2 | | 1¼ | 88.9 | 4 | 15.7 | 1/2 | 57.2 | 69.9 | 82.6 | | 1½ | 98.6 | 4 | 15.7 | 1/2 | 63.5 | 69.9 | 82.6 | | 2 | 120.7 | 4 | 19.1 | 5/8 | 69.9 | 82.6 | 95.3 | | 2½ | 139.7 | 4 | 19.1 | 5/8 | 76.2 | 88.9 | 101.6 | | 3 | 152.4 | 4 | 19.1 | 5/8 | 76.2 | 88.9 | 101.6 | | 3½ | 177.8 | 8 | 19.1 | 5/8 | 76.2 | 88.9 | 101.6 | | 4 | 190.5 | 8 | 19.1 | 5/8 | 76.2 | 88.9 | 101.6 | | 5 | 215.9 | 8 | 22.4 | 3/4 | 82.6 | 95.3 | 108.0 | | 6 | 241.3 | 8 | 22.4 | 3/4 | 82.6 | 101.6 | 114.3 | | 8 | 298.5 | 8 | 22.4 | 3/4 | 88.9 | 108.0 | 120.7 | | 10 | 362.0 | 12 | 25.4 | 7/8 | 101.6 | 114.3 | 127.0 | | 12 | 431.8 | 12 | 25.4 | 7/8 | 101.6 | 120.7 | 133.4 | | 14 | 476.3 | 12 | 28.4 | 1 | 114.3 | 133.4 | 146.1 | | 16 | 539.8 | 16 | 28.4 | 1 | 114.3 | 133.4 | 146.1 | | 18 | 577.9 | 16 | 31.8 | 11/8 | 127.0 | 146.1 | 158.8 | | 20 | 635.0 | 20 | 31.8 | 11/8 | 139.7 | 158.8 | 171.5 | | 24 | 749.3 | 20 | 35.1 | 1¼ | 152.4 | 171.5 | 184.2 |
Socket Weld Class 300
Socket weld flange dimensions class 300 in millimeters (ASME B16.5)

| Sizeinch | Dmm | Xmm | Gmm | tmm | B1mm | B2mm | T2mm | Ymm |
|---|---|---|---|---|---|---|---|---|
| 1/2 | 95 | 38.1 | 35.1 | 14.2 | 15.7 | 22.4 | 22.4 | 9.7 |
| 3/4 | 117 | 47.8 | 42.9 | 15.7 | 20.8 | 27.7 | 25.4 | 11.2 |
| 1 | 124 | 53.8 | 50.8 | 17.5 | 26.7 | 34.5 | 26.9 | 12.7 |
| 1¼ | 133 | 63.5 | 63.5 | 19.1 | 35.1 | 43.2 | 26.9 | 14.2 |
| 1½ | 155 | 69.9 | 73.2 | 20.6 | 40.9 | 49.5 | 30.2 | 15.7 |
| 2 | 165 | 84.1 | 91.9 | 22.4 | 52.6 | 62.0 | 33.3 | 17.5 |
| 2½ | 191 | 100.1 | 104.6 | 25.4 | 62.7 | 74.7 | 38.1 | 19.1 |
| 3 | 210 | 117.3 | 127.0 | 28.4 | 78.0 | 90.7 | 42.9 | 20.6 |
| 3½ | 229 | 133.4 | 139.7 | 30.2 | 90.2 | 103.4 | 44.5 | 22.4 |
| 4 | 254 | 146.1 | 157.2 | 31.8 | 102.4 | 116.1 | 47.8 | 23.9 |
| 5 | 279 | 177.8 | 185.7 | 35.1 | 128.3 | 143.8 | 50.8 | 23.9 |
| 6 | 318 | 206.2 | 215.9 | 36.6 | 154.2 | 170.7 | 52.3 | 26.9 |
| 8 | 381 | 260.4 | 269.7 | 41.1 | 202.7 | 221.5 | 62.0 | 31.8 |
| 10 | 445 | 320.5 | 323.9 | 47.8 | 254.5 | 276.4 | 66.5 | 33.3 |
| 12 | 521 | 374.7 | 381.0 | 50.8 | 304.8 | 327.2 | 73.2 | 39.6 |
| 14 | 584 | 425.5 | 412.8 | 63.8 | 336.6 | 359.2 | 76.2 | 41.4 |
| 16 | 648 | 482.6 | 469.9 | 57.2 | 387.4 | 410.5 | 82.6 | 44.5 |
| 18 | 711 | 533.4 | 533.4 | 60.5 | 438.2 | 461.8 | 88.9 | 49.3 |
| 20 | 775 | 587.2 | 584.2 | 63.5 | 489.0 | 513.1 | 95.3 | 54.1 |
| 24 | 914 | 701.5 | 692.2 | 69.9 | 590.6 | 616.0 | 106.4 | 63.5 |
| Size | Drilling | Bolting | | ---- | ---------------------- | ------- | ------------- | --------------- | --------------- | --------------- | ---------------- | | inch | Bolt circleDiameter mm | Holes # | Holes Dia. mm | Bolt Dia. inch. | LengthFF Flange | LengthRF Flange | LengthRTJ Flange | | 1/2 | 66.5 | 4 | 15.7 | 1/2 | 57.2 | 63.5 | 76.2 | | 3/4 | 82.6 | 4 | 19.1 | 5/8 | 63.5 | 76.2 | 88.9 | | 1 | 88.9 | 4 | 19.1 | 5/8 | 63.5 | 76.2 | 88.9 | | 1¼ | 98.6 | 4 | 19.1 | 5/8 | 69.9 | 82.6 | 95.3 | | 1½ | 114.3 | 4 | 22.4 | 3/4 | 76.2 | 88.9 | 101.6 | | 2 | 127.0 | 8 | 19.1 | 5/8 | 76.2 | 88.9 | 101.6 | | 2½ | 149.4 | 8 | 22.4 | 3/4 | 82.6 | 101.6 | 114.3 | | 3 | 168.1 | 8 | 22.4 | 3/4 | 88.9 | 108.0 | 120.7 | | 3½ | 184.2 | 8 | 22.4 | 3/4 | 95.3 | 108.0 | 127.0 | | 4 | 200.2 | 8 | 22.4 | 3/4 | 95.3 | 114.3 | 127.0 | | 5 | 235.0 | 8 | 22.4 | 3/4 | 108.0 | 120.7 | 133.4 | | 6 | 269.7 | 12 | 22.4 | 3/4 | 108.0 | 120.7 | 139.7 | | 8 | 330.2 | 12 | 25.4 | 7/8 | 120.7 | 139.7 | 152.4 | | 10 | 387.4 | 16 | 28.4 | 1 | 139.7 | 158.8 | 171.5 | | 12 | 450.9 | 16 | 31.8 | 11/8 | 146.1 | 171.5 | 184.2 | | 14 | 514.4 | 20 | 31.8 | 11/8 | 158.8 | 177.8 | 190.5 | | 16 | 571.5 | 20 | 35.1 | 1¼ | 165.1 | 190.5 | 203.2 | | 18 | 628.7 | 24 | 35.1 | 1¼ | 171.5 | 196.9 | 209.6 | | 20 | 685.8 | 24 | 35.1 | 1¼ | 184.2 | 203.2 | 222.3 | | 24 | 812.8 | 24 | 41.1 | 1½ | 203.2 | 228.6 | 254.0 |
Socket Weld Class 600
Socket weld flange dimensions class 600 in millimeters (ASME B16.5)

| Sizeinch | Dmm | Xmm | Gmm | tmm | B1mm | B2mm | T2mm | Ymm |
|---|---|---|---|---|---|---|---|---|
| 1/2 | 95 | 38.1 | 35.1 | 14.2 | B36.10/.19 | 22.4 | 22.4 | 9.7 |
| 3/4 | 117 | 47.8 | 42.9 | 15.7 | B36.10/.19 | 27.7 | 25.4 | 11.2 |
| 1 | 124 | 53.8 | 50.8 | 17.5 | B36.10/.19 | 34.5 | 26.9 | 12.7 |
| 1¼ | 133 | 63.5 | 63.5 | 20.6 | B36.10/.19 | 43.2 | 28.4 | 14.2 |
| 1½ | 155 | 69.9 | 73.2 | 22.4 | B36.10/.19 | 49.5 | 31.8 | 15.7 |
| 2 | 165 | 84.1 | 91.9 | 25.4 | B36.10/.19 | 62.0 | 36.6 | 17.5 |
| 2½ | 191 | 100.1 | 104.6 | 28.4 | B36.10/.19 | 74.7 | 41.1 | 19.1 |
| 3 | 210 | 117.3 | 127.0 | 31.8 | B36.10/.19 | 90.7 | 46.0 | 20.6 |
| 3½ | 229 | 133.4 | 139.7 | 35.1 | B36.10/.19 | 103.4 | 49.3 | 22.4 |
| 4 | 273 | 152.4 | 157.2 | 38.1 | B36.10/.19 | 116.1 | 53.8 | 23.9 |
| 5 | 330 | 189.0 | 185.7 | 44.5 | B36.10/.19 | 143.8 | 60.5 | 23.9 |
| 6 | 356 | 222.3 | 215.9 | 47.8 | B36.10/.19 | 170.7 | 66.5 | 26.9 |
| 8 | 419 | 273.1 | 269.7 | 55.6 | B36.10/.19 | 221.5 | 76.2 | 31.8 |
| 10 | 508 | 342.9 | 323.9 | 63.5 | B36.10/.19 | 276.4 | 85.9 | 33.3 |
| 12 | 559 | 400.1 | 381.0 | 66.5 | B36.10/.19 | 327.2 | 91.9 | 39.6 |
| 14 | 603 | 431.8 | 412.8 | 69.9 | B36.10/.19 | 359.2 | 93.7 | 41.4 |
| 16 | 686 | 495.3 | 469.9 | 76.2 | B36.10/.19 | 410.5 | 106.4 | 44.5 |
| 18 | 743 | 546.1 | 533.4 | 82.6 | B36.10/.19 | 461.8 | 117.3 | 49.3 |
| 20 | 813 | 609.6 | 584.2 | 88.9 | B36.10/.19 | 513.1 | 127.0 | 54.1 |
| 24 | 940 | 717.6 | 692.2 | 101.6 | B36.10/.19 | 616.0 | 139.7 | 63.5 |
| Size | Drilling | Bolting | | ---- | ---------------------- | ------- | ------------- | --------------- | --------------- | --------------- | ---------------- | | inch | Bolt circleDiameter mm | Holes # | Holes Dia. mm | Bolt Dia. inch. | LengthFF Flange | LengthRF Flange | LengthRTJ Flange | | 1/2 | 66.5 | 4 | 15.7 | 1/2 | 76.2 | 69.9 | 76.2 | | 3/4 | 82.6 | 4 | 19.1 | 5/8 | 88.9 | 82.6 | 88.9 | | 1 | 88.9 | 4 | 19.1 | 5/8 | 88.9 | 82.6 | 88.9 | | 1¼ | 98.6 | 4 | 19.1 | 5/8 | 95.3 | 88.9 | 95.3 | | 1½ | 114.3 | 4 | 22.4 | 3/4 | 108.0 | 101.6 | 108.0 | | 2 | 127.0 | 8 | 19.1 | 5/8 | 108.0 | 101.6 | 108.0 | | 2½ | 149.4 | 8 | 22.4 | 3/4 | 120.7 | 114.3 | 120.7 | | 3 | 168.1 | 8 | 22.4 | 3/4 | 127.0 | 120.7 | 127.0 | | 3½ | 184.2 | 8 | 25.4 | 7/8 | 139.7 | 133.4 | 139.7 | | 4 | 215.9 | 8 | 25.4 | 7/8 | 146.1 | 139.7 | 146.1 | | 5 | 266.7 | 8 | 28.4 | 1 | 165.1 | 158.8 | 165.1 | | 6 | 292.1 | 12 | 28.4 | 1 | 171.5 | 165.1 | 171.5 | | 8 | 349.3 | 12 | 31.8 | 11/8 | 190.5 | 184.2 | 196.9 | | 10 | 431.8 | 16 | 35.1 | 1¼ | 215.9 | 209.6 | 215.9 | | 12 | 489.0 | 20 | 35.1 | 1¼ | 222.3 | 215.9 | 222.3 | | 14 | 527.1 | 20 | 38.1 | 13/8 | 235.0 | 228.6 | 235.0 | | 16 | 603.3 | 20 | 41.1 | 1½ | 254.0 | 247.7 | 254.0 | | 18 | 654.1 | 20 | 44.5 | 15/8 | 273.1 | 266.7 | 273.1 | | 20 | 723.9 | 24 | 44.5 | 15/8 | 285.8 | 279.4 | 292.1 | | 24 | 838.2 | 24 | 50.8 | 17/8 | 330.2 | 323.9 | 336.6 |
Tolerance of Socket Weld Flanges
ASME B16.5 defines tolerances for socket-weld flanges used in small-size, high-pressure piping. Socket-weld flanges have a recessed area where the pipe is inserted before being fillet-welded around the outer diameter. Below is a summary of general tolerance values per ASME B16.5. For precise values by size and class, refer directly to the standard.
Diameter of Bolt Circle (P):
Tolerance: ±1.6 mm (±1/16 inch) for flanges up to and including NPS 24. This ensures even distribution of bolt loads and proper alignment.
Diameter of Bolt Holes (Q):
Tolerance: Bolt holes are typically oversized by +3 mm (1/8 inch) relative to the bolt diameter, allowing for alignment during assembly.
Flange Thickness (T):
Tolerance: General guideline for flanges up to NPS 24 is ±3 mm (±1/8 inch). This tolerance balances pressure containment strength against weight.
Outside Diameter of Flange (O):
Tolerance: ±1.6 mm (±1/16 inch) for sizes up to NPS 24, ensuring compatibility with mating components and equipment.
Socket Depth (D):
Tolerance: Socket depth tolerances control how far the pipe is inserted before welding, so the pipe reaches the correct depth for a sound fillet weld.
Bore Diameter (B):
Tolerance: The bore diameter tolerance provides slight clearance over the pipe OD, preventing flow restriction while maintaining a gap suitable for welding without excessive clearance or interference.
Counterbore Diameter (G) and Depth:
Tolerance: Specific tolerances apply to the counterbore diameter and depth so that the pipe seats correctly within the flange socket before welding.
Facing Finish:
Tolerance: The flange face surface finish is specified in Ra (Roughness Average) and varies based on facing type and gasket material. The finish must be compatible with the selected gasket to achieve a reliable seal.
Meeting these tolerances is required for proper alignment, weld quality, and sealing performance of socket-weld flange connections. For detailed tolerance values by size and class, refer to the latest edition of ASME B16.5.
SW Flange Weights
SW Flange Weight in Kgs.
The table shows the ASME B16.5 socket-weld (SW) flange weights in Kgs. by Flange NPS and Class (carbon/alloy steel materials; for higher grades, consider adjusting weight using the delta-specific weight carbon/other grades)
| NPS | Class 150 | Class 300 | Class 400 | Class 600 | Class 900 | Class 1500 |
|---|---|---|---|---|---|---|
| 1/2 | 0.9 | 1.4 | 0.9 | 0.9 | 2.7 | 2.7 |
| 3/4 | 0.9 | 1.4 | 1.4 | 1.4 | 2.7 | 2.7 |
| 1 | 0.9 | 1.4 | 1.6 | 1.8 | 3.4 | 3.6 |
| 1¼ | 1.4 | 1.8 | 2 | 2.3 | 4.5 | 4.5 |
| 1½ | 1.4 | 2.7 | 2.9 | 3.2 | 6.3 | 6.3 |
| 2 | 2.3 | 3.2 | 3.6 | 4.1 | 9.9 | 11.3 |
| 2½ | 3.6 | 4.5 | 5.4 | 5.9 | 13.9 | 16.2 |
| 3 | 4.1 | 5.9 | 6.8 | 7.2 | 16.2 | 21.6 |
| 3½ | 4 | 7.7 | 9.5 | 9.5 | ||
| 4 | 5.9 | 9.9 | 11.7 | 16.7 | 23.9 | 32.9 |
| 5 | 6.8 | 12.6 | 13.9 | 28.4 | 37.4 | 59.4 |
| 6 | 8.6 | 17.6 | 19.8 | 36 | 49.5 | 74.3 |
| 8 | 13.5 | 26.1 | 30.2 | 51.8 | 77.4 | 117 |
| 10 | 19.4 | 36.5 | 40 | 79.7 | 110.3 | 196.2 |
| 12 | 28.8 | 51.8 | 58.5 | 96.8 | 146.7 | 300.2 |
| 14 | 40.5 | 74.3 | 85 | 116.6 | 180 | 423 |
| 16 | 44.1 | 85.5 | 113.9 | 164.7 | 206.6 | 562.5 |
| 18 | 58.5 | 112.5 | 139.5 | 214.2 | 291.2 | 731.3 |
| 20 | 74.3 | 141.8 | 170.1 | 275.4 | 356.4 | 922.5 |
| 22 | 83.3 | 166.5 | 182.3 | 265.5 | ||
| 24 | 99 | 213.8 | 242.6 | 394.2 | 666 | 1271 |
SW Flange Weight in Lbs.
The table shows the ASME B16.5 socket-weld (SW) flange weights in Lbs. by Flange NPS and Class (carbon/alloy steel materials; for higher grades, consider adjusting weight using the delta-specific weight carbon/other grades)
| CLASS 150 | Nominal Pipe Size | Socket Weld Weight in Lbs./unit |
|---|---|---|
| ½ | 2 | |
| ¾ | 2 | |
| 1 | 2 | |
| 1¼ | 3 | |
| 1½ | 3 | |
| 2 | 5 | |
| 2½ | 8 | |
| 3 | 9 | |
| 3½ | 11 | |
| 4 | 13 | |
| 5 | 15 | |
| 6 | 19 | |
| 8 | 30 | |
| 10 | 43 | |
| 12 | 64 | |
| 14 | 90 | |
| 16 | 98 | |
| 18 | 130 | |
| 20 | 165 | |
| 22 | 185 | |
| 24 | 220 | |
| CLASS 300 | Nominal Pipe Size | Socket Weld Weight in Lbs./unit |
| ½ | 3 | |
| ¾ | 3 | |
| 1 | 3 | |
| 1¼ | 4 | |
| 1½ | 6 | |
| 2 | 7 | |
| 2½ | 10 | |
| 3 | 13 | |
| 3½ | 17 | |
| 4 | 22 | |
| 5 | 28 | |
| 6 | 39 | |
| 8 | 58 | |
| 10 | 81 | |
| 12 | 115 | |
| 14 | 165 | |
| 16 | 190 | |
| 18 | 250 | |
| 20 | 315 | |
| 22 | 370 | |
| 24 | 475 | |
| CLASS 400 | Nominal Pipe Size | Socket Weld Weight in Lbs./unit |
| ½ | 2 | |
| ¾ | 3 | |
| 1 | 3.5 | |
| 1¼ | 4.5 | |
| 1½ | 6.5 | |
| 2 | 8 | |
| 2½ | 12 | |
| 3 | 15 | |
| 3½ | 21 | |
| 4 | 26 | |
| 5 | 31 | |
| 6 | 44 | |
| 8 | 67 | |
| 10 | 91 | |
| 12 | 130 | |
| 14 | 191 | |
| 16 | 253 | |
| 18 | 310 | |
| 20 | 378 | |
| 22 | 405 | |
| 24 | 539 | |
| CLASS 600 | Nominal Pipe Size | Socket Weld Weight in Lbs./unit |
| ½ | 2 | |
| ¾ | 3 | |
| 1 | 4 | |
| 1¼ | 5 | |
| 1½ | 7 | |
| 2 | 9 | |
| 2½ | 13 | |
| 3 | 16 | |
| 3½ | 21 | |
| 4 | 37 | |
| 5 | 63 | |
| 6 | 80 | |
| 8 | 115 | |
| 10 | 177 | |
| 12 | 215 | |
| 14 | 259 | |
| 16 | 366 | |
| 18 | 476 | |
| 20 | 612 | |
| 22 | 590 | |
| 24 | 876 | |
| CLASS 900 | Nominal Pipe Size | Socket Weld Weight in Lbs./unit |
| ½ | 6 | |
| ¾ | 6 | |
| 1 | 7.5 | |
| 1¼ | 10 | |
| 1½ | 14 | |
| 2 | 22 | |
| 2½ | 31 | |
| 3 | 36 | |
| 4 | 53 | |
| 5 | 83 | |
| 6 | 110 | |
| 8 | 172 | |
| 10 | 245 | |
| 12 | 326 | |
| 14 | 400 | |
| 16 | 459 | |
| 18 | 647 | |
| 20 | 792 | |
| 24 | 1480 | |
| CLASS 1500 | Nominal Pipe Size | Socket Weld Weight in Lbs./unit |
| ½ | 6 | |
| ¾ | 6 | |
| 1 | 8 | |
| 1¼ | 10 | |
| 1½ | 14 | |
| 2 | 25 | |
| 2½ | 36 | |
| 3 | 48 | |
| 4 | 73 | |
| 5 | 132 | |
| 6 | 165 | |
| 8 | 260 | |
| 10 | 436 | |
| 12 | 667 | |
| 14 | 940 | |
| 16 | 1250 | |
| 18 | 1625 | |
| 20 | 2050 | |
| 24 | 2825 |
Leave a Comment
Have a question or feedback? Send us a message.
Previous Comments
Need dimension for DN1200,DN950,DN800 Cl.150 for socket weld flanges.